應用
CDLF是一種多功能產品,可以輸送從自來水到工業液體的各種不同介質,適應于不同溫度、流量和壓力范圍,也適用于輕度腐蝕性液體。
·供水:水廠過濾與輸送、水廠分區送水、主管增壓、高層建筑增壓。
·工業增壓:流程水系統、清洗系統、高壓沖洗系統、消防系統。
·工業液體輸送:冷卻和空調系統、鍋爐給水和冷凝系統、機床配套、酸和堿。
·水處理:超濾系統、反滲透系統、蒸餾系統、分離器、游泳池。
·灌溉:農田灌溉、噴灌、滴灌。
運行條件
·稀薄、干凈、非易燃易爆并不含固體顆粒或纖維的液體。
·液體溫度:常溫型-15℃至+70℃ 熱水型+70℃至+120℃
·環境溫度:最高+40℃
·海拔:最高1000m
泵
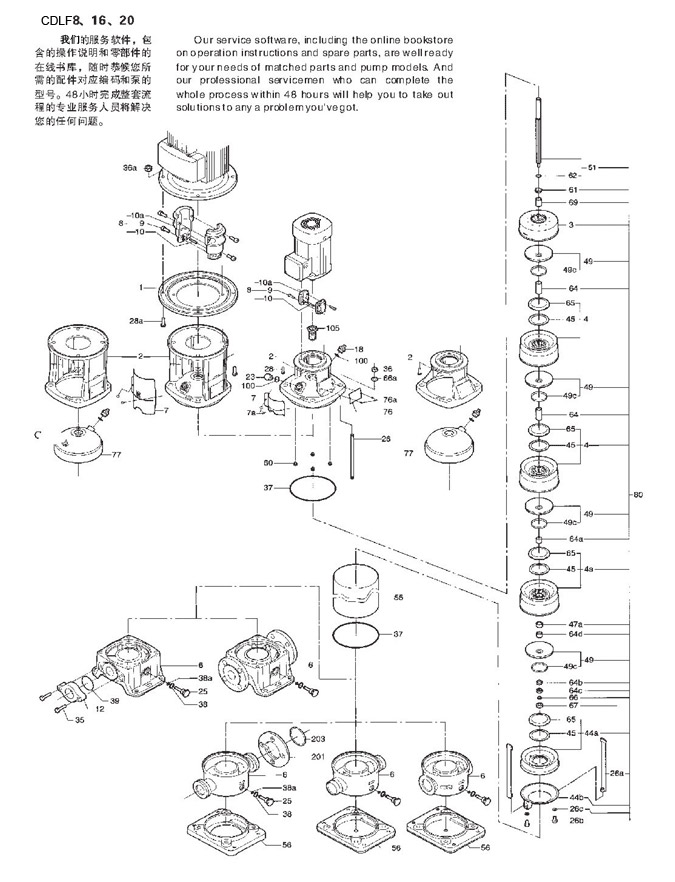
CDLF為安裝標準電機的非自吸立式多級離心泵,電機軸通過泵頭用聯軸器直接與泵軸聯接,拉桿螺栓將耐壓筒、過流部件固定在泵頭和進出水段之間,泵進出水口在泵底同一直線上;本泵可根據需要配置智能保護器,對泵干轉\缺相\過載等進行有效保護。
電機
·電機為全封閉,風冷式二級標準電機
·防護等級:IP55
·絕緣等級:F
·標準電壓,50HZ:1×220-230/240v
3×200-220/346-380v
3×220-240/380-415v
3×380-415v
CDLF是一種多功能產品,可以輸送從自來水到工業液體的各種不同介質,適應于不同溫度、流量和壓力范圍,也適用于輕度腐蝕性液體。
·供水:水廠過濾與輸送、水廠分區送水、主管增壓、高層建筑增壓。
·工業增壓:流程水系統、清洗系統、高壓沖洗系統、消防系統。
·工業液體輸送:冷卻和空調系統、鍋爐給水和冷凝系統、機床配套、酸和堿。
·水處理:超濾系統、反滲透系統、蒸餾系統、分離器、游泳池。
·灌溉:農田灌溉、噴灌、滴灌。
運行條件
·稀薄、干凈、非易燃易爆并不含固體顆粒或纖維的液體。
·液體溫度:常溫型-15℃至+70℃ 熱水型+70℃至+120℃
·環境溫度:最高+40℃
·海拔:最高1000m
泵
CDLF為安裝標準電機的非自吸立式多級離心泵,電機軸通過泵頭用聯軸器直接與泵軸聯接,拉桿螺栓將耐壓筒、過流部件固定在泵頭和進出水段之間,泵進出水口在泵底同一直線上;本泵可根據需要配置智能保護器,對泵干轉\缺相\過載等進行有效保護。
電機
·電機為全封閉,風冷式二級標準電機
·防護等級:IP55
·絕緣等級:F
·標準電壓,50HZ:1×220-230/240v
3×200-220/346-380v
3×220-240/380-415v
3×380-415v







在線客服